体DIP27/DIP29封装IPM模块已通过UL1557认证
2025-08-27
广东巨风半导体DIP27(IPM产品型号中封装类型代码-“C”)/ DIP29(IPM产品型号中封装类型代码-“B”)封装IPM模块顺利通过UL1557:2018标准规定的各项测试,获得UL公司依据标准颁发的UL1557认证证书(File No. E527960)。


证书1:DIP27(IPM产品型号中封装类型代码-“C”)取得的UL认证证书


证书2:DIP29(IPM产品型号中封装类型代码-“C”)取得的UL认证证书
巨风半导体DIP27封装IPM产品(600V,15A/20A/30A/50A; 1200V, 5A/10A/15A/25A);DIP29封装IPM产品(600V,30A/50A; 1200V, 10A/15A/25A/35A/50A)顺利通过UL1557:2018标准规定的各项测试,包括绝缘耐压测试,热老化测试等。
巨风半导体DIP27封装/DIP29封装IPM产品完全自主研发、封测,凭借过硬的技术获得了国际标准的认可,也表明了巨风半导体迈向国际化的实力与决心。
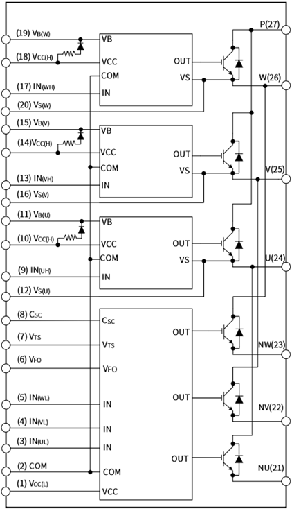
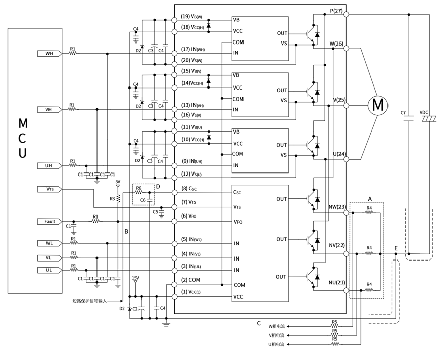
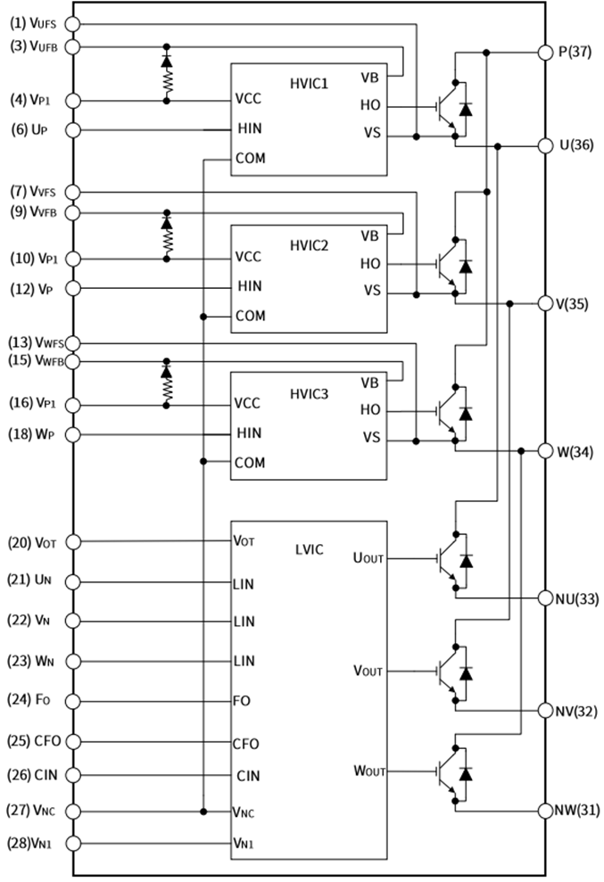
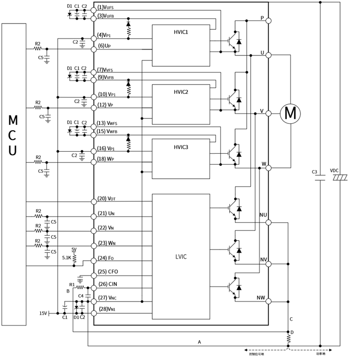
巨风半导体DIP27封装(其电路拓朴如图1所示,外观如图2所示,其典型应用电路如图3所示。)DIP29封装(其电路拓朴如图4所示,外观如图5所示,其典型应用电路如图6所示。)IPM产品,集成了IGBT、FRD、带保护功能的驱动芯片、自举二极管和限流电阻等。已广泛应用于商用/家用空调压缩机驱动及外风机、热泵、工业伺服、工业机器人、变频器、EC风机等领域。

图1巨风半导体 DIP27 1200V IPM内部等效电路图

图2 巨风半导体 DIP27 1200V IPM外观图

图3 巨风半导体 DIP27 1200V IPM典型应用

图4巨风半导体 DIP29 1200V IPM内部等效电路图

图5巨风半导体 DIP29 1200V IPM外观图

图6 巨风半导体 DIP29 1200V IPM典型应用
关于UL
UL是美国保险商试验所(Underwriter Laboratories Inc)的简写,同时也是全球最权威的安全检测认证机构。自1894年成立,UL迄今发布了将近1800部安全、质量和可持续性标准,其中70%以上成为美国国家标准,并且UL也是加拿大国家标准的开发机构。