【新品推荐】巨风半导体 TR9673功率因数校正(PFC)芯片
2025-01-17
一、产品概况
TR9673是一款交错式三通道连续导通模式的功率因数校正(PFC)控制芯片,用于PFC预调节器。该芯片内部包含前沿调制、平均电流模式控制、“升压”型功率因数校正的电路,通过合理配置,可以设计出完全符合IEC1000-3-2标准的电源。芯片应用于交错式工作模式,这能够大幅减小输入和输出的纹波电流,使得传导EMI滤波设计变得更加容易,并且更具有成本优势。
TR9673创新的通道管理功能,通过设置CM2和CM3的引脚电压,可以使第二通道和第三通道平稳的加载和卸载,甚至关闭通道,优化效率,并能提高PFC转换器的负载瞬态响应。同时,该芯片还集成多种保护功能,包括:电感电流峰值限制、输入电压掉电保护和反馈引脚检测的多重保护等功能。
TR9673能够完全pin-pin替换国外竞品9673,即在不更换其它任何外围器件的情况下,实现系统在各种工况下的正常工作。同时,在保证各项性能指标均与国外竞品9673达到同一水平的前提下,TR9673在关键性能指标、如THD,仍有大幅提升。另外,TR9673额外集成了抖频——这一创新功能,可有助于降低大功率电源系统的EMI设计难度。
二、主要特性
- pin-pin替代国外竞品9673
- 连续导通模式控制
- 平均电流模式
- 交错式三通道PFC控制
- PFC智能通道管理功能
- 可编程工作频率范围:18 kHz~40 kHz 或 55 kHz~75 kHz
- 可编程PFC输出电压
- 两种限流功能
- 输入电压瞬间掉电保护
- 可编程的软启动
- 反馈引脚检测的多重保护功能
- VDD欠压锁定(UVLO)、过压保护(OVP)
- 采样电流差分感测
- 32引脚LQFP封装
- 集成抖频功能
- 工作结温范围(Tj):-40℃~150℃
三、产品封装

图1: 引脚分布图(俯视图)
四、应用场景
- 大功率AC-DC电源
- 直流电机电源
- 商业空调
- 服务器和通信电源
- 不间断电源
- 工业焊接电源
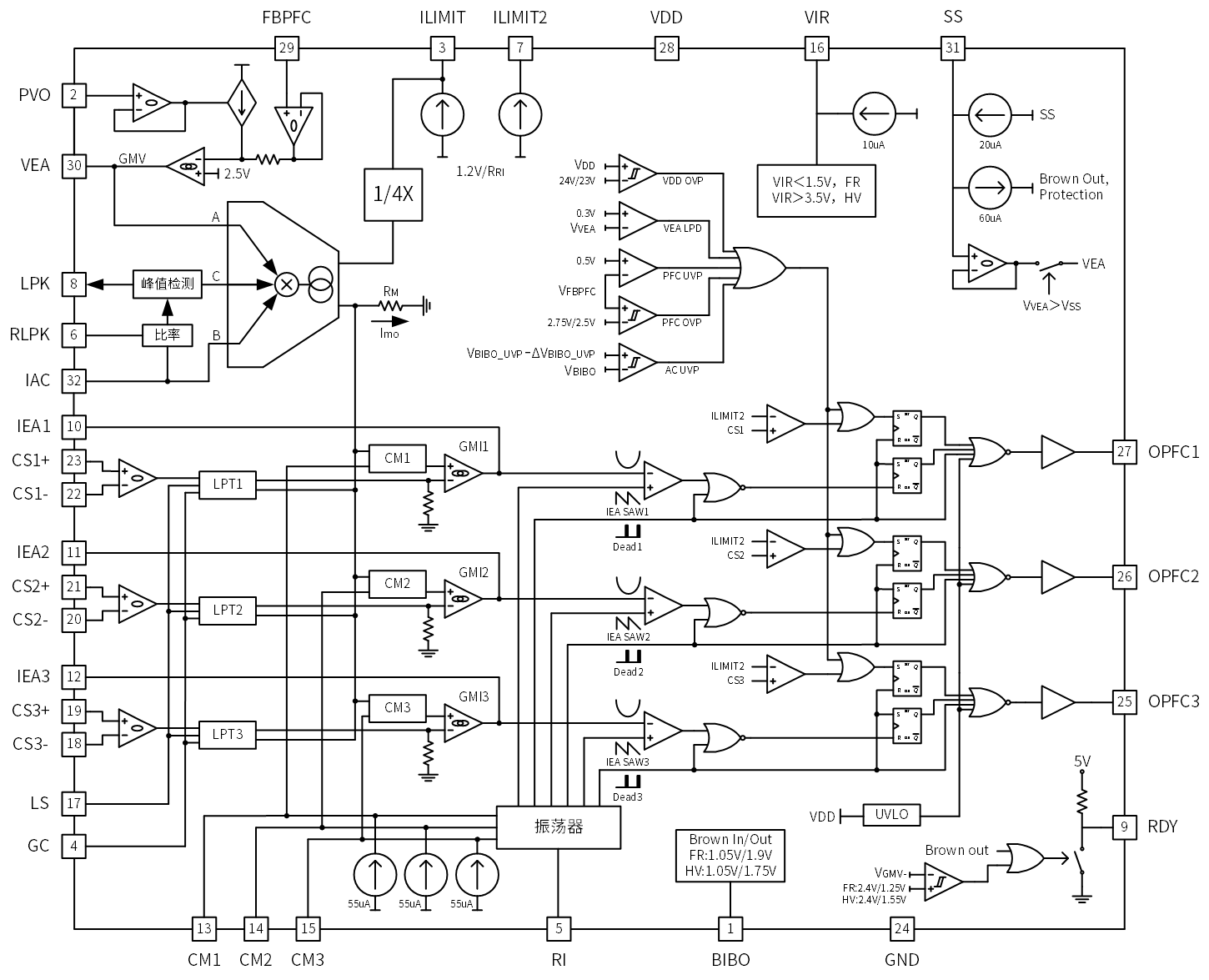
五、内部功能框图

图2: 内部功能框图
六、典型应用

图3: 典型应用电路图
七、TR9673评估板
1.评估板设计指标
参数 | 符号 | 数值 | 说明 |
输入电压 | VAC | 180~264V | 额定 |
输出电压 | VOUT | 395±10V | - |
输出电流 | IOUT | 6.3A | 额定 |
输出功率1 | POUT1 | 2.5kW | 额定 |
输出功率2 | POUT2 | 130%POUT1 | 峰值 |
输出纹波 | VP-P | 5%VOUT | 额定 |
开关频率 | FSW | 40kHZ | - |
效率 | η | 96% | 额定、满载 |
功率因数 | PF | 0.995 | 额定、满载 |
谐波失真率 | THD | 5% | 额定、满载 |
工作温度 | TA | -35℃~65℃ | 环境温度 |
表1: 设计指标
2.评估板实物图

3.评估板测试说明
测试过程中,评估板运用芯片的通道管理技术,负载在0~800W时,单通道工作;在800W~1600W时,双通道工作;在1600W~2500W时,则三通道同时工作。该种工作方式,可在全负载条件下,优化PF值、THD。
八、评估板关键参数测试表现
1.PF值测试

图5: 评估板在各负载下的PF值曲线
从图5可看出,在全输入电压、全负载点,TR9673都可以做到较高的PF值,特别是负载在50%~100%范围内,其PF值均可维持在0.99以上。
2.THD测试

图6: 评估板在各负载下的THD曲线
从图6可看出,在标称输入电压下、负载在50%~100%范围内,其THD都可维持4%以下,谐波性能表现优异。
3. 效率测试

图7: 评估板在各负载下的效率曲线
从图7可看出,不同输入电压的效率,其中在标称输入电压下、负载在50%~100%范围内,其效率都可以维持在97%以上。
4.典型测试波形

图8: 输入180Vac、输出2500W测试波形

图9: 输入220Vac、输出2500W测试波形

图10: 输入264Vac、输出2500W测试波形
以上测试波形中,VIN为输入电压波形、IL为输入电流波形、Vo为输出电压纹波、LPK为芯片lpk引脚的电压波形;从测试波形可看出,系统工作稳定,输入电流波形呈现正弦形态、失真度小,且与输入电压基本同相;此工况下,系统的各性能参数表现优异。
九、与国外竞品9673关键参数测试对比
1.PF值对比

图11: 与竞品的PF值对比曲线
从图11的对比曲线可看出,就系统PF值这一参数而言,TR9673在各输入电压、各负载点,相较于国外竞品9673都能达到同一水平,甚至在个别负载点表现更优。
2.THD对比

图12: 与竞品的THD对比曲线(180Vac)

图13: 与竞品的THD对比曲线(220Vac)

图14: 与竞品的THD对比曲线(264Vac)
从上三图的对比曲线可看出,就系统THD这一关键参数而言,TR9673在各输入电压、各负载点,都大幅优于国外竞品9673,尤其在轻载阶段更是提升50%以上。